IPM-модули в промышленных вентиляторах и насосах
IPM-модули в промышленных вентиляторах и насосах
Интеллектуальные силовые модули IPM широко применяются в промышленных установках, таких как промышленные вентиляторы и энергоэффективные насосы различной мощности.
Это незаменимые базовые компоненты для реализации систем промышленной автоматизации. По мере расширения масштабов автоматизации спрос рынка на IPM-модули стабильно растёт, демонстрируя отличные долгосрочные перспективы развития.
К промышленным электротоварам предъявляются повышенные требования к силовым компонентам. В большинстве случаев используются высокомощные IPM-модули с превосходными тепловыми характеристиками и множеством встроенных функций защиты, что обеспечивает безопасную работу промышленного оборудования и силовых сетей.
Для промышленных применений IPM компания Baoquan Zhijie разрабатывает линейку модулей в различных корпусах и на основе передовых технологий.
Ключевые особенности этих IPM-модулей:
Высокая степень интеграции
Большая плотность мощности
Отличное теплоотведение
Множество встроенных функций защиты
Повышенная надёжность системы и устойчивость к помехам
Благодаря этим преимуществам IPM-модули Baoquan Zhijie получили широкое признание и доверие на промышленном рынке.
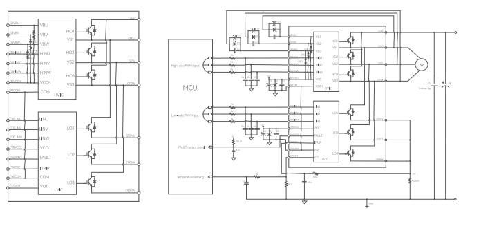
Промышленные вентиляторы и насосы – системная схема применения

Промышленные вентиляторы и насосы – типичная топология силовой схемы




