Блок питания ПК
Введение в блок питания ПК
Блок питания — это «сердце» персонального компьютера, обеспечивающее энергией все аппаратные компоненты. С развитием технологий общая потребляемая мощность процессоров (CPU) постепенно снижается, однако стремительный рост энергопотребления графических процессоров (GPU) создаёт новые вызовы для источников питания. Одновременно рынок DIY и OEM требует блоков меньшего размера и лучшего соотношения цены и производительности.

Продукты серии Super-Junction Gen.3 обеспечивают более высокую скорость переключения, низкие потери при проводимости и крайне низкий заряд затвора (Qg), что снижает потери мощности и повышает эффективность системы. Благодаря независимым инновационным технологиям улучшены характеристики переключения и повышена помехоустойчивость (EMI) устройства. Кроме того, широкий выбор корпусов позволяет адаптировать компоненты под различные проектные требования.

Почему Baoquan Zhijie
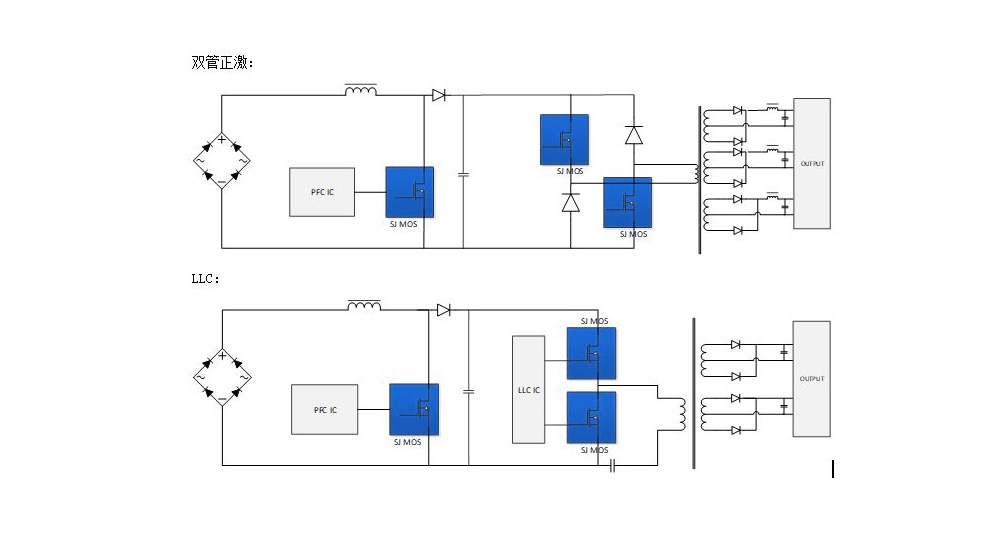
Что мы предлагаем: MOSFET, SiC MOSFET, модули IGBT и силовые модули (мы не поставляем готовые PSU-системы).
Преимущества устройств: низкое сопротивление RDS(on), высокая скорость переключения, низкий заряд затвора Qg, оптимизированное EMI и широкий температурный диапазон работы.
Варианты корпусов: TO-220 / TO-247, DFN / DPAK и мощные модульные корпуса для компактных конструкций PSU.
Рекомендуется для данного применения: 600–700 В Super-Junction MOSFET для первичного преобразования, низковольтные MOSFET — для синхронного выпрямления на вторичной стороне.



