Ветровая энергия
Введение в ветровую энергию
Ветрогенерация - это процесс преобразования ветровой энергии в механическую энергию, а затем - механической энергии в электрическую энергию. Этот процесс не требует топлива, не излучает радиации и не создает загрязнение воздуха, что делает его чистым источником энергии.
Marching Power может предложить полноценное системное решение от преобразователей ветровой энергии до преобразователей ветровой энергии. Серии модулей 1700В 50А - 900А обеспечивают наилучшее решение для продуктов разных мощностных диапазонов.
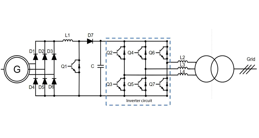
Схема применения системы

Топологическая схема применения




